一品楼品凤楼论坛官网网址,一品阁楼论坛,群狼谷全国论坛qm,寻花阁论坛全国最权威的
风淋室专题
佰伦风淋室已荣获多项国家专利!
服务热线:苏小姐 181-02663890
黄先生 135-70963007
网站首页
公司介绍
主营产品
信息中心
行业标准
售后体系
客户案例
联系我们
当前位置:
首页
>
行业动态
> 风淋室电气原理图(控制原理图)
信息中心
行业动态
公司新闻
产品分类
风淋室分类大全
1400风淋室
1590风淋室
1260风淋室
1300风淋室
垂直流风淋室
自动门风淋室
风淋房系列
风淋通道
风淋机
货淋室
货淋通道
风淋门系列
净化设备
普通传递窗
风淋传递窗系列
高效送风口
FFU层流罩系列
超净工作台系列
百级送风天花
空气自净器
增压新风柜
空气过滤器
高效过滤器
耐高温过滤器
中效过滤器
初效过滤器
净化工程
洁净棚工程
无尘洁净室工程
热门文章排行
·
风淋室在烘焙食品生产的重要作用...
·
一种提高导气管净化效果的风淋室...
·
无尘车间一般有哪些管理规定...
·
无尘车间风淋室标准模式说明...
·
检测设备
·
选购净气型储药柜注意事项
·
不锈钢传递窗验证方案(2012最新版)...
·
尼康相机生产车间离不开风淋室...
·
自净传递窗使用前应了解哪些内容?...
·
食品GMP标准:食品工厂良好作业规范通则...
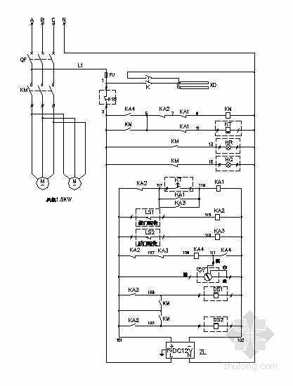
风淋室电气原理图(控制原理图)
发布时间:2014-11-09 22:40:59 浏览:13330
风淋室电气原理图(控制原理图)
上一篇:
公司介绍
下一篇:
风淋室培训要求主要有哪些?
最新文章
一种净化风淋室及其使用方法
一种方便过滤的风淋室
一种空气内循环风淋室
自清理过滤式净化风淋室
一种移动式车载风淋室及洗消车
一种锂电池洁净室的高效节能风淋系统
相关文章
自己动手DIY空气净化器&FFU新风一体机
自己动手DIY空气净化器-FFU新风过滤装置(2016版)...
FFU测试标准及性能标准
洁净棚配套FFU数量如何计算
物料通过传递窗进出洁净区的标准操作规程...
FFU被当作空气净化器成网红
公司介绍
|
主营产品
|
信息中心
|
行业标准
|
售后体系
|
客户案例
|
联系我们
|
网站地图
|
产品细分:
FFU空气净化器
|
风淋室配件大全
|
卷帘门风淋室
|
防爆风淋室
|
杀菌风淋室
|
除静电风淋室
|
刷卡式风淋室
|
汽车涂装线风淋室
|
流水线货淋室
|
快速卷帘门货淋室
|
自动平移门货淋通道
|
带栏杆风淋机
|
气动门传递窗
|
落地式传递窗
|
电动升降传递窗
|
洁净工作棚
|
百级洁净棚
|
阻漏式送风天花
|
百级送风天花
|
自净器
|
鲜风柜
|
H13高效过滤器
|
耐高温初效过滤器
|
电加热风淋室
|
转角风淋室
|
液槽式高效送风口
|
高效过滤风口
|
净化过滤箱
|
中效袋式过滤器
|
风淋室配套过滤器
|
洁净棚
|
高效送风口
|
货淋室
版权所有:http://www.8z95.cn/ 地址:广州市番禺区大龙街石龙岗路3号 联系电话:苏小姐 13570963006
关键词:
风淋室
风淋室价格
风淋门
风淋通道
传递窗
超净工作台 ffu 层流罩 无尘车间